- 最終更新日
- 記事公開日
DFPlayerの節電対策回路(555タイマーICで電源を自動でOFF)

DFPlayerは何もしていなくても結構な電気を消費します。
- 待機状態の消費電流:約20mA
- 音声出力時:約100mA~200mA
55mAhのリポバッテリーでテストしたところ、放置して3時間ほどで、スイッチを押しても何も反応しなくなってしまいました。
何もせずで3時間しか使えないのは困る。
もう少し長時間運用できるようにしたい。
また、消費電力以外にも気になることがあります。
それは、待機中もずっとスピーカーから流れている「ブー」というノイズ音。
これが余計に電気を食っている気がしてなりません。
そこで、これら2つの問題を解決するために『スイッチを押して約5秒後にDFPlayerへの電源を断つ回路』を追加しました。
実際の動画
分かりにくいですが、一応載せておきました。
NE555の待機中に消費する電流は3mA程度なので、今までより5倍くらいは長持ちする計算になります。
使用部品
- Aideepen DFPlayer Mini -Amazon
- IC(NE555P)- Amazon
- フォトリレー(TLP222AF)- 秋月電子
- 電池ボックス(単3×3)- 秋月電子
- 単三電池 × 3
- カーボン抵抗(10KΩ)× 2
- 電解コンデンサ(33μF/16V)
- 積層セラミックコンデンサ(0.01μF)
- 押しボタンスイッチ
- スピーカー
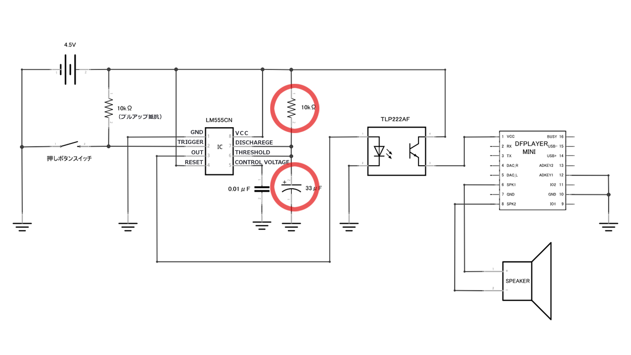
配線図

スイッチを押すと、タイマーIC『555』の3Pinから信号(緑色の配線)が出力されます。
フォトリレー『TLP222AF』が信号を受信すると、スイッチング作用によってDFPlayerへ5Vを供給します。
DFPlayerが通電すると、DFPlayerに搭載された赤色LEDが点灯。
microSDカードの中に保存してある音声ファイルの一曲目だけ(※DFPlayerについてを参照)がスピーカーから音声が再生されます。
約5秒後に、タイマーICの信号がSTOP。
DFPlayerも停止します。
回路図

IC『555』について

今回は、IC『555』の単安定モード(ワンショットパルス発生器)を使って、タイマー機能を実装しています。
IC555の各ピンの役割は以下の通りです↓
| 1 | GND | 電源のマイナスに繋ぐ |
|---|---|---|
| 2 | TRIGGER | タイマーを起動するトリガー信号(電源電圧の1/3以下)を入力する |
| 3 | OUT | 信号出力ピン |
| 4 | RESET | GND接続でリセット → 電源に繋ぐと始動 |
| 5 | CONTROL VOLTAGE | 6番Pinの電圧を制御してタイマー時間をコントロールする(オープン時はノイズ対策でコンデンサ取り付け) |
| 6 | THRESHOLD | タイマー時間終了を判定するピン(電源電圧の2/3以上) |
| 7 | DISCHAREGE | コンデンサに溜まった電荷を放電するピン |
| 8 | VCC | 電源のプラスに繋ぐ |
タイマーの時間設定について
タイマーの時間設定は、回路図の赤丸で囲ってある部分で調整を行っています。
IC555の6Pinと7Pinに配線されているカーボン抵抗(10kΩ)と電解コンデンサ(33μF)です。
- タイマーを長くする場合:抵抗値もしくはコンデンサの容量を大きく
- タイマーを短くする場合:抵抗値もしくはコンデンサの容量を小さく
「コンデンサにたくさん電気が溜まるようにするか?」
「それとも、コンデンサに流れる電流を小さくするか?」
という話です。
例えば、コンデンサの容量を100μFにすると、容量は3倍なので、計算上のタイマーは15秒くらいとなります。
しかし、実際のタイマー時間は試してみないと分かりません。
また、ボタンを押す度、音声が再生される時間も若干違う気がするので、それほど時間の精度は高くない気もします。
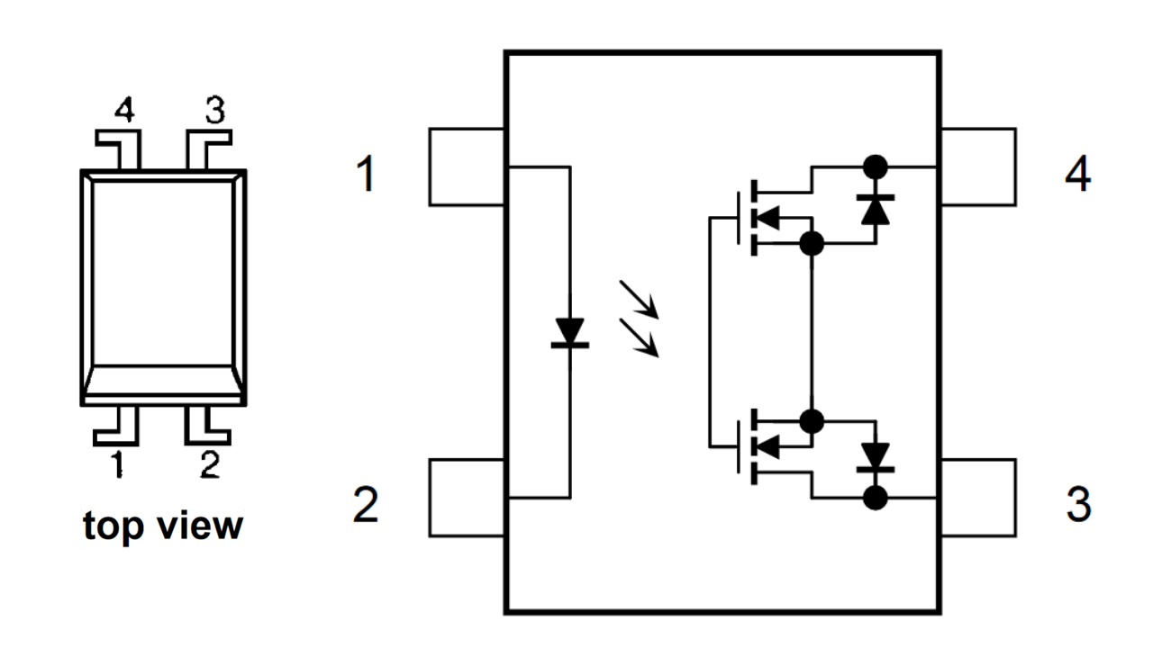
フォトリレー『TLP222AF』について

今回はスイッチングの部品にフォトリレー『TLP222AF』を使用しました。
DFPlayerは音声を再生するときに割と大きな電気を必要とします。
200mAくらい流せるトランジスタでも良いのですが、探すのとか計算が面倒なので・・・
ちょっとコストアップにはなりますが、500mAまで出力できる『TLP222AF』を選択しました。
フォトリレーについては以下の記事をご覧ください↓
DFPlayerについて
DFPlayerで音声を再生させるための回路は以下の通りです↓

今回は[12Pin]-[スイッチ]-[GND]という配線しか行っていないので、再生されるのは一曲目だけです。
DFPlayerの基本的な使い方については下記をご覧ください↓
使用する音声の作成
もし、再生させる音の長さがタイマーよりも短い場合、音声がリピートされ、中途半端な位置で停止してしまいます。
また、電源電圧や配線の仕方によってもタイマーの長さは変動します。
そこで、タイマーが切れるまでの時間稼ぎに本来の音に『長めの無音』を追加しました。
『無音』は以下よりダウンロードしてご使用ください↓
※右クリック-[名前を付けてリンク先を保存]
mp3の結合方法
mp3の結合は以下のサイトが便利です↓

『再生させる音』と『無音』2つのmp3を追加して、結合するだけです。
組込例
ガチャガチャでゲットした卓上型の呼び出しボタン『ポチット君』
元々は、ボタンを押すと「ピンポーン!」という音が鳴っていました。
これにDFPlayerを組み込み、今話題のあの音声を再生するように改造しました。
参考回路では電源に乾電池(4.5V)を使用しましたが、この改造では電源をポリバッテリー(3.7V)に変更しており、低い電源電圧となっています。
そのため、抵抗を10KΩ→100KΩに変更して、タイマー時間を調整しました(電解コンデンサは33μFのまま)


ポリバッテリー(55mAh・3.7V)は、ダイソーの300円ワイヤレス片耳イヤホンを分解して取り出したものです。

コネクタを取付け、充電できるようにしています。

本当は、元々の卓上押しボタンスイッチで使われていたコイン電池(LR44×3個)で駆動したかったのですが、コイン電池の出力不足でDFPlayerが動かず。
仕方なく、このポリバッテリーを使用しました。


