- 最終更新日
- 記事公開日
無人販売機の自作方法
持ち運び可能な無人販売機を自作しました。
モバイルバッテリーを使用しているので、コンセントがない場所でも使用可能です。
コインセレクターで設定した硬貨が投入されると、隣にあるボックスのフタが開錠され、中身を取り出すことができます。
「屋外のイベントで物販をしたい」
「無人販売をやってみたいけど、監視カメラは置きたくない」
「既製品の無人販売機は高くて買えない」
などなど、様々なシーンに利用できます。
必要なもの
掛かった総費用は『約8,000円』です。
- コインセレクター(130B/合金パネル)- AliExpress ※Amazonでも購入可
- フォトカプラ付きリレーモジュール(12V用)- Amazon
- トリガーケーブル(12V用)- Amazon
- 電磁ロック(12V用)- Amazon
- USBPD対応(12V出力可能)なモバイルバッテリー - Amazon
- 重なる透明収納ケース - ダイソー
- 透明収納ケース - ダイソー
「ありがとうございました」の音声モジュール
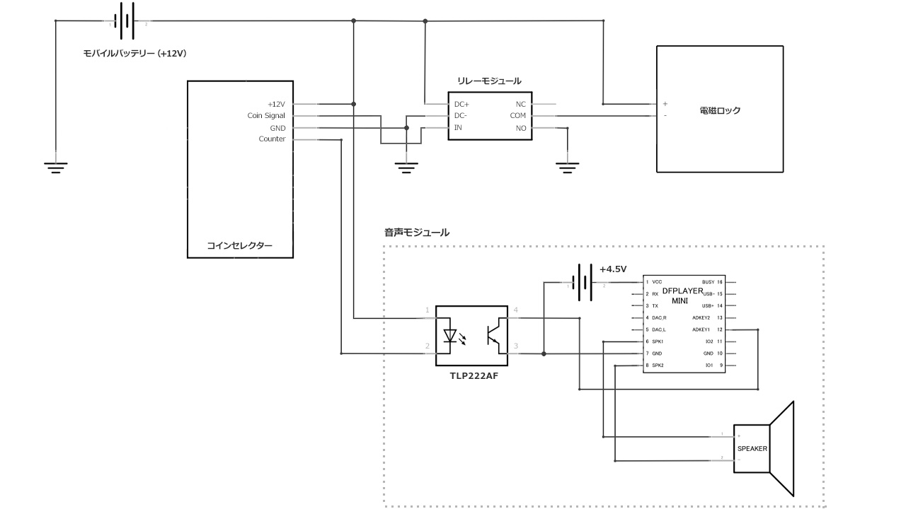
配線・回路図


トリガーケーブルを使いモバイルバッテリーから強制的に12Vを引き出し、コインセレクターと電磁ロックに12Vを供給しています。
硬貨が投入されるとコインセレクターが硬貨の判定を行い、一致すると『シグナル信号』『カウンタ信号』が出力されます。
シグナル信号はフォトカプラ付きリレーモジュールで受け取り、スイッチングにより電磁ロックに12Vが掛かると、フタのロックが解除されます。
なお今回は、コインが投入された枚数のカウントは行わないので、カウンタ信号は音声モジュールのトリガー信号として使用しました。
技術解説
各パーツごとに使用法や動作についての解説を行います。
コインセレクター

値段となる硬貨のセット方法
あらかじめ判定材料となる硬貨を本体にセットしておきます。
例えば、500円玉をセットすれば、500円玉が投入されたときだけ、トリガー信号・カウンタ信号が出力されます。
500円以外の硬貨が投入されると、信号は出力されず、硬貨は返却口に送られます。

ちなみに、電池切れや故障などによりコインセレクターへ電気が供給されていないときは、全ての硬貨が返却口へ送られます。
これなら「お金を投入されたのにフタが開かない!」なんてクレームが入ることはないので、安心ですね。
スイッチ設定

コインセレクターの背面には3つの設定スイッチが付いてます。
SW1(ノーマルオープン・ノーマルクローズ設定)
試してないので分かりませんが、違いはおそらくこんな感じ。
- ノーマルオープン:コインが通過したときに『立ち上がり信号』を出力
- ノーマルクローズ:コインが通過したときに『立ち下がり信号』を出力
一般的には『ノーマルオープン』を使用します。
SW2(信号の長さ)
- 100ms(低速/長いパルス)
- 50ms(中速)
- 30ms(高速/短いパルス)
私はしょぼいオシロスコープで波形を測定するので『100ms』に設定しています。
SW3(不明)
- MGN(精准)・・・ 正確性を重視するモード?
- NOM(正常)・・・通常モード?
私は「通常」に設定しています。
フォトカプラ付きリレーモジュール

コインセレクターから出力されるシグナル信号はとても微弱な電流です。
電磁ロックにそのまま信号線を繋いでも、電流不足で電磁ロックを動かすことはできません。
そこで、フォトカプラ付きリレーモジュールを使って、コインセレクターからの小さな信号を元に、主電源から電磁ロックに大きな電流が流れる回路を構成します。
もちろん、トランジスタなどを使っても同様の回路を構成することはできますが、面倒なので、このモジュールを使用しています。
なお、今回使用する『フォトカプラ付きリレーモジュール』は、ジャンパーの位置によってトリガーレベルを変更できます。
- L(低レベル)・・・ 0V ~ 1.5V
- H(高レベル)・・・ 3V ~ 5V
コインセレクターのシグナルラインは、硬貨判定を通過したタイミングで0V(GND)になり、パルスが出力されます。
よって、フォトカプラ付きリレーモジュールのジャンパーは「L」に設定します。
(※シグナルラインがプラスになってパルスが出力されるような装置の場合は「H」に設定します)
混乱してしまいがちですが、波形の立ち上がり・立下がりではありません。
「シグナルラインがLowになったときにパルスが出力されるか?」「Highになったときに出力されるか?」でジャンパーの位置を設定します。
フォトカプラ付きリレーモジュールについて、さらに詳しい解説は下記の記事をご覧ください↓
トリガーケーブル

モバイルバッテリー(USB Type-C)から12Vを取り出すためには、トリガーケーブルが必要です。
モバイルバッテリーとコインセレクターを繋いだだけでは、電気は供給されません。
元々トリガーケーブルは、USB PD(高速充電)に対応していないパソコンの充電に使用するものです。
よって、トリガーケーブルの先端はパソコン用のDCプラグになっています。
そのため、DCジャック端子を購入し、ケーブルを自作する必要があります。

電磁ロック

電磁ロックは、一瞬でも電気を流すと、すぐにロックが解除されます。
「ガチャ」という大きな音と共にフタを上に押し上げてくれるので、購入者に鍵が開いたことを確実に知らせることができます。
なお、今回使用した電磁ロックのコネクタには『SMコネクタ』が使用されています。
SMコネクタの2Pinメスを用意してください。
12V出力できるモバイルバッテリー

最近では、スマホ(5V)だけでなくパソコンの充電もできるように「12V」が出力できるモバイルバッテリーも増えてきています。
今回使用しているモバイルバッテリーは数年前に購入したものですので、すでに販売は終了していますが、12V・2Aが出力できるものであれば問題ないはずです。
もし持ち運びの必要性がない場合なく、常時設置する場合には、12Vの鉛バッテリーを使用するのも良いでしょう(※鉛バッテリーの場合はトリガーケーブルは不要です)
駆動可能な時間について
今回使用したモバイルバッテリーの容量は「54Wh」です。
この無人販売機の消費電流は「約40mA」
計算すると、 54Wh / (12V × 0.040A)= 54Wh / 0.48W = 112.5時間(約4.7日)
あくまで計算上なので、駆動できる実質時間は3日くらいでしょう。
音声出力モジュール
完成後、何か物足りなさを感じたので、コイン判定を通過後に「ありがとうございました!」という音声が流れる機能を追加しました。


音声出力モジュールは、乾電池(4.5V)で動作しており、本体と切り離した回路になっています。
フォトリレー(TLP222)を使って、12Vの信号を元に4.5Vの信号をコントロールし、DFPlayerで音声の再生を行っています。
盗難対策について

この無人販売機を使用するには、まだまだ防犯対策が足りていません。
ボックスに穴を開けて南京錠を取り付けたり、パンチなしトラスネジを使って表側からネジを回せないようにして下さい。


回路図ですがコインセレクターのGNDとフォトリレーのDC-が接地ではないでしょうか?