- 記事公開日
なぜ、モジュールを使うのか?(DC-DC降圧コンバータモジュールの仕組み)

「電子回路のことが少し分かってきたかもな~」と思っていた頃、パーツショップに並ぶモジュールを見て、ふと疑問が浮かびました。
「メインの部品以外にも色々付いてるけど、そもそも何の役目があるの?」
「ちょっと割高じゃない?余計な部品は要らないんだけど・・・」
今でこそ、
- 高機能な回路は部品点数が多くなりがち
- 一つ一つ部品を揃えるのが面倒
- 値を計算するのが面倒
- 配線ミスで余計なトラブルが起きない
- 自分で設計するより安全
などの理由を並べることができますが、その当時はモジュールの必要性をあまり感じていませんでした。
そこで今回は、
「なぜ、モジュールを使うのか?」
について、もう少しく詳しく解説してみます。
降圧したいときにモジュールは必要?
例えば、入力電圧を5Vから3.3Vに落としたいとき。
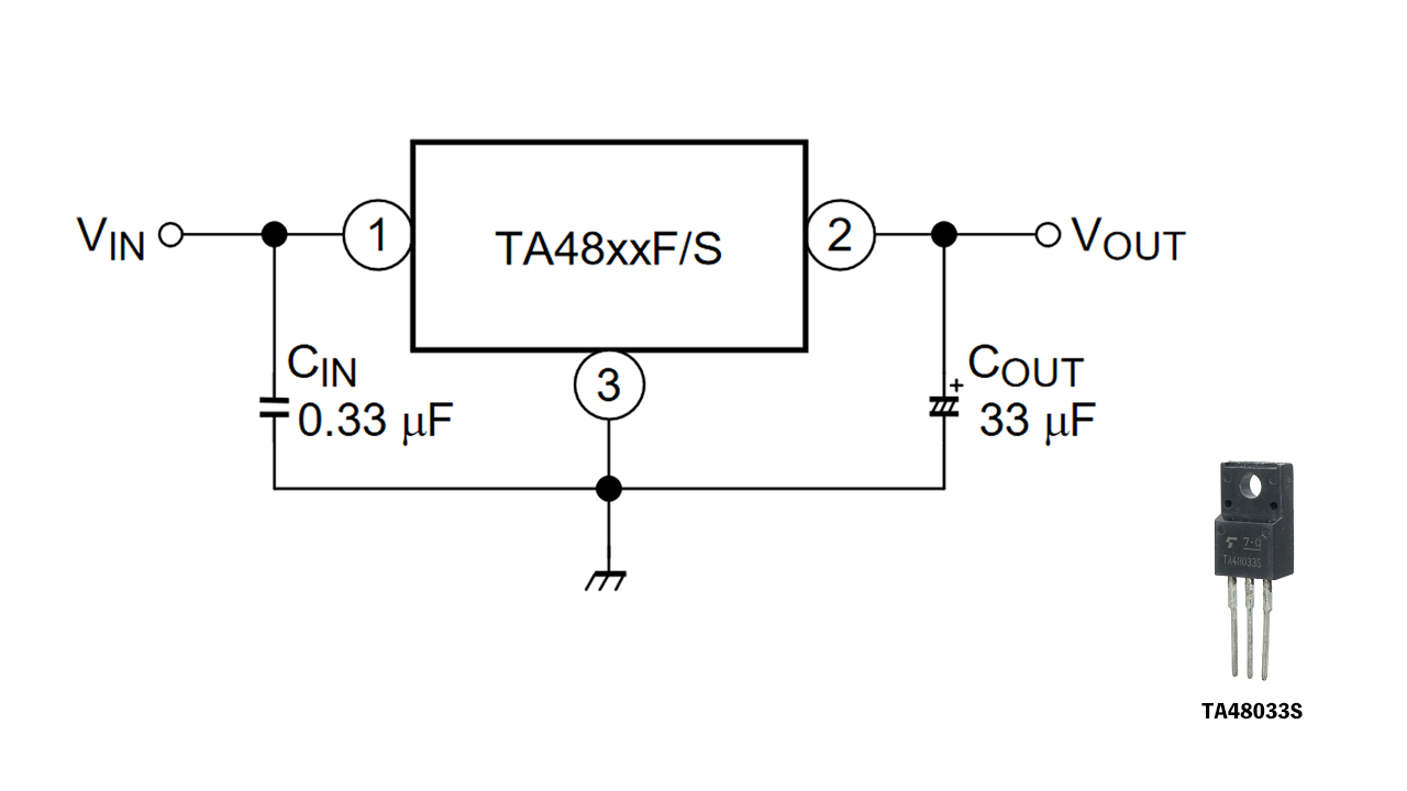
三端子レギュレータを使えば、簡単な回路で実現可能です。

TA48033Sを使う場合、他に必要なのはノイズ対策用の積層セラミックコンデンサ(0.33μF)と電源安定化用の電解コンデンサ(33μF)だけ。
ところが、この三端子レギュレータを使った方法(リニア式)は、余分な電力を熱に変換してしまうので、変換効率は良くありません。
では、もっと変換効率の良い方法はないのか?
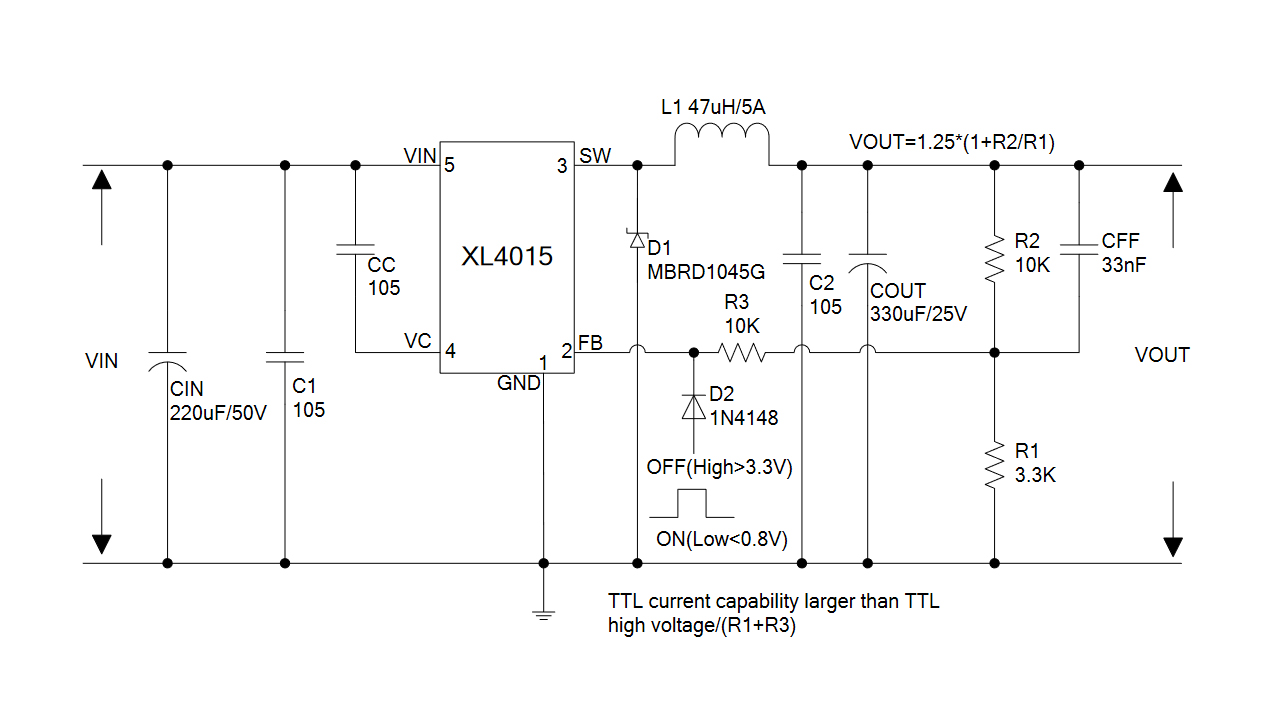
そんなときは、用いられるのがスイッチング式の降圧回路です。
一度直流をパルスに変換し、必要な電圧だけを取り出す方法です。

しかし、スイッチング式の降圧回路には、必要な部品も多い。
コイルやコンデンサ容量の選定も必要です。

ええぃ!めんどくさい!
ということで、モジュールがあると便利なわけです。
「DC-DC降圧コンバータモジュール」なら、全て必要な部品が搭載されています。

HiLetgo DC-DCステップダウン調整可能電源モジュール - Amazon
出力調整も簡単にできるので、他の用途にも利用できます。
たしかに部品を一つ一つ買うよりも割高にはなりますが、その分の価値は十分ありますよ。


