- 最終更新日
- 記事公開日
【おもちゃ改造】ダイソーのリモコンライトでプチ電車を操作

ダイソーの『プチ電車』をリモコン操作できるよう改造しました。
リモコンのボタンを押すことで、約5m離れたところからでも[始動][停止]が可能です。
リモコンは、同じくダイソー商品の『リモコンライト』を利用しました。
ONボタン:始動
OFFボタン:停止
Multi Colorボタン:低速 ⇔ 高速(ボタンを押すごとに切り替わる)
※その他のボタンは使用しません。
目次
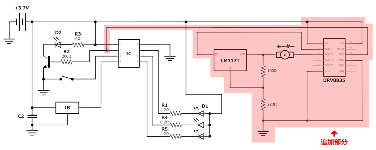
回路図
使用するもの
- ダイソー プチ電車(モーター入り)110円
- ダイソー リモコンライト(330円)
- モータードライバー(DRV8835)- 秋月電子
- 三端子レギュレーター(LM317T)- 秋月電子
- チップ抵抗(100Ω/220Ω)
- ユニバーサル基板(15×15mm)
- 3.7Vリチウムイオン電池(14500タイプ)
- 小さいネオジム磁石(直径6mm・厚さ1mm程度)
技術解説
![ダイソーのリモコンライト[イルミネーション]のボタン操作説明書](https://www.ekit-tech.com/wp-content/uploads/20220618-21-1200x675.jpg)
ダイソーのリモコンライトは、[Multi Color]ボタンを押すと、白色のLEDライトが点灯。
もう一度ボタンを押すと、今度はLEDライトが少し暗くなる仕組みになっています。
今回は、この[Multi Color]ボタンを制御している信号を利用して、プチ電車のモーター制御を行いました。
モータードライバーの役割
Multi Colorボタンが押されると、メインICの2Pinから制御信号が出力されます。
- 明るいとき:常にHIGHの信号を出力
- 暗いとき:デューティー比50%のPWM信号(明るいときの半分の電力)を出力

しかし、ICから出力される信号は非常に小さな電流です。そのままモーターに繋いでも、電流不足でモーターを回すことはできません。
そこで、『モータードライバー』を使用します。
モータードライバーは、ICからの小さな電流を合図にして、大きな電流を供給することができるパーツです。
例えるなら「ダム」です。
人間が一人でチマチマと水を運んでいても、田んぼに十分な水を供給することはできません。
しかし、ダムのレバーを操作するだけなら一人で出来ます。モータードライバーを使うと、小さな電流(レバー)を操作して、たくさんの水(電流)を田んぼ(モーター)に送り届けることができます。
もちろん、トランジスタを使った増幅回路でも同じことは可能です。
ただし、電解コンデンサや抵抗などの選定・スペースの確保など、考えることも多いです。
そこで今回は、コンパクトで取り付けも簡単なモータードライバーを使用することにしました。
モータードライバ『DRV8835』の使い方

VCC端子は、DRV8835を動かすための電源です。
VM端子は、モーターを動かすための電源です。
今回はどちらにも同じ3.7Vを繋いでいますが、それぞれ別の電源を用意することも可能です。
例えば、もっと馬力の大きいモーターを使いたい場合。
モータードライバ(VCC)は3Vで動かして、モーター(VM)は9Vで動かすという使い方ができます。
なお、DRV8835では最大2個のDCモーターを制御することが可能です。
今回は1つのモーターだけを制御したいので、A端子だけを使用します。
ICの2ピンからの信号をAIN1ピンが受け取ると、AOUT1からVIN電圧が出力されます。
これが、小さな電流を元にして、大きな電流が必要なモーターを制御できる仕組みです。
MODE端子は「PHASE/ENABLEモード」「IN/INモード」の選択を行います。
違いを簡単に説明すると「ブレーキ制御を行うかどうか?」です。
今回はブレーキを使用しません。リモコンのOFFボタンが押されたら、電流を止め、惰性で電車を止めます。
よって、MODE端子はオープンのままにしておいてください。
三端子レギュレーターの役割
三端子レギュレーターは、電圧だけを下げることができるパーツです。
今回は、モーターに掛かる電圧を3.7Vから1.5V付近まで落とすために使用しています。
リモコンライトの受信基板を動かすには、3V以上の電圧が必要です。
そのため、3.7Vのリチウムイオン電池を使用していますが、このままでは電圧が高すぎます。
本来、プチ電車は単三乾電池(1.5V)一個で動かす仕様になっています。
プチ電車に使用されているモーター(おそらくFA-130RA-2270)の使用電圧範囲は「1.5V〜3.0V」
リチウムイオン電池が満タンのときは、
約4.2Vくらいまで電圧が上昇しているので、2Vくらいは落としたいところ。
もし高電圧のままモーターを動かしてしまうと、モーターが焼け付き、壊れてしまう可能性があります。
また実際に3.7Vで走らせてみたところ、あまりにスピードが速すぎて、すぐにレールから脱線してしまいました。
今回は、使用した三端子レギュレーターは『LM317T』です。
LT317Tは、ADJ端子に任意の抵抗を取り付けることで、自在(1.2V〜37V)に出力電圧を変えることができます。
LM317の使用方法

ADJ端子に取り付ける抵抗は「R1:100Ω」「R2:220Ω」としました(※R1の抵抗値はメーカー推奨で120Ωとされているようですが、手持ちがなかったので100Ωを使用しました)
これで、電圧は約「2V」になっています。
ちなみに、LM317の特性上、入力電圧は出力電圧より3V高くする必要があるため、抵抗値をいくら調整しても2V以上にすることはできませんでした。
リチウムイオン電池の役割

プチ電車のモーターは、単三乾電池(1.5V)で動かすことができますが、リモコンライトの受信基板を動かすには3V以上の電圧が必要です。
そこで今回は、リチウムイオン電池(3.7V)と三端子レギュレーターを使い、モーターに掛かる電圧を調整しています。
14500タイプとは?
14500タイプは単三乾電池とサイズが同じ(50mm×14mm)のリチウムイオン電池です。
そのため、プチ電車のフレームを加工しなくても、そのまま取り付けることができます。

ただし、リチウムイオン電池は乾電池のようにプラス側の出っ張りがありません。
そのままではプラス側の電池端子がうまく接触しないので、隙間に厚さ1mmの小さいネオジム磁石を挟みました。
14500タイプのリチウムイオン電池の入手法
世間で流通数が多いのは、14500タイプよりも少し大きいサイズの18650タイプです。
14500タイプは実店舗で見掛けないので、入手性は悪いです。
楽天などのネット通販を利用すれば1,000円くらいで購入できます。
「リチウムイオン充電電池 14500 /単3/1000mAh/3.7V(WASHODO)- 楽天市場 アクトオートショップ
以前は、ダイソーの550円の静音ワイヤレスマウスに組み込まれていましたが、今は売り切れとなっています。
ちなみに私は、使わなくなったフィリップスのシェーバー(センソタッチ3D RQ1258)を分解して取り出しました。
組み込み手順
1.リモコンライトを分解し、基板を取り出す

2.基板からリモコン受信部を取り外す

3.プチ電車のボディに穴を開け、リモコン受信部を瞬間接着剤で固定する

4.電池とモーターを繋いでいる金属端子を切り離す

5.回路図に沿って、ユニバーサル基板に部品を配置・配線する


6.両面テープでユニバーサル基板・センサライトの改造基板をプチ電車に固定する

トラブルシューティング
今回の改造についてのトラブル集・Q&Aをまとめました。
モーターが回らず「キーン」と音が鳴る
「キーン」という少し高い音がしている場合、電圧が低すぎる可能性があります。
低速モードになっていませんか?電源をOFFにしたあとも、モードはそのまま維持されています。
リモコンのMulti Colorボタンを押して、モードを切り替えてみてください。
モーターが回らず「ウィーン」と音が鳴る
「ウィーン」という低音がしている場合、電流が足りていない・大きな負荷が掛かっている可能性があります。
電池は満タンになっていますか?
車輪を手で回してみてください。
何か引っ掛かっているだけの可能性もあります。
一瞬だけ動き、すぐに止まる
電源が不安定になっている可能性が高いです。
一度に許容量を超えた電流を消費してしまった場合に起きやすい現象です。
配線は間違えていませんか?
リチウムイオン電池は不良ではありませんか?
他の電池やリモコンライトの4.5V電池ボックスを繋いでテストしてみてください。
電源ラインに電解コンデンサを入ると解決することもあります。
複数の車両を制御することは可能か?
リモコンライトは全て赤外線通信のパターンが共通しています。
よって別々に梱包された商品でも、同じリモコンライトであれば操作ができてします。
また、リモコンの感知距離も長いため、リモコンのONボタンを押すと、改造を施した全ての車両が反応しています。
もし個別に操作したい場合には、Multi Colorボタン以外のボタンに制御コマンドを組み込む必要があります。
ただし、今回紹介しているのはMulti Colorボタンのみ可能な制御方法です。
他のボタンで操作したい場合は、また違う改造を行う必要があります。




記載してある充電式【リチウム電池 3.7V 14500】
を乾電池式【非充電式電池 3.6V 14500 2700mAh】に
変更しても、問題ないのでしょうか?